搭载天枢OS,即将亮相的蔚来ET9,会带来10个以上新功能?
路咖汽车 | 2023-12-20
22989

如今车辆智能化渗透进程已经集中在域控制器阶段,不同域控制器的融合为车辆带来明显的功能性提升,比如智界S7搭载的途灵底盘,拥有监测路况调整悬挂进程、软硬度的自适应底盘系统,实际上活用了自动驾驶的感知功能应用在底盘调教上。然而现在的智能汽车逻辑偏向于集中式,新的功能实现需要不同的域控制器进行单独桥接,新功能实现数量并没有爆发式增长。
即将在蔚来ET9上搭载的全新天枢Sky OS,将其作为蔚来主力平台NT 3.0的底层操作系统。蔚来ET9被蔚来冠以冲击百万级汽车市场的重任,天枢Sky OS自然也成为实现其功能丰富的关键一环。蔚来借助天枢Sky OS与VMC实现灵活部署,功能扩展更为丰富,使车辆的运动控制大高一个新高度。再加上天枢Sky OS传统优势项-智能座舱与多设备融合功能,可以预见的是蔚来ET9将会是功能极为丰富的大更新车型。
被蔚来委以重任的天枢OS,厉害在哪?
在周日李斌亲自测试150kWh电池包续航直播时宣布,蔚来的行政级旗舰轿车ET9将会在本月23日NIO Day上发布。定位于行政旗舰轿车,该车型对标奔驰S级、宝马7系等豪华行政级别轿车。这次李斌在直播间官方爆料,几乎可以确定蔚来ET9已经进入成型生产阶段,甚至有可能少量成车已经生产出来。

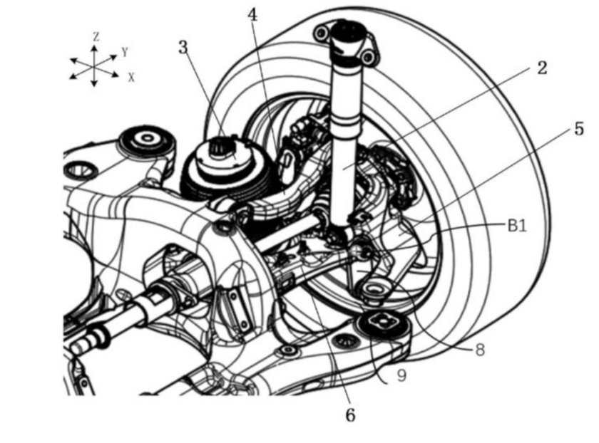
而网络上与蔚来ET9之间的讨论也集中在这款车型有多厉害中来,蔚来汽车整车应用软件负责人肖柏宏发布一则《聊聊蔚来ET9的智能线控底盘》的文章,其中出现了几个值得注意的关键信息:“全线控智能底盘搭载VMC智算平台”、“VMC结合天枢Sky OS支持灵活部署”,这也意味着蔚来ET9内大多数功能性的突破更新,会源自于VMC与天枢Sky OS操作系统。

蔚来天枢Sky OS最早出现于9月21日的NIO IN蔚来创新科技日上,这是行业内首个由车企自研的智能电动汽车整车全域操作系统。根据蔚来当时公开的相关资料,天枢Sky OS是一套存在于驱动层和应用层中间的底层操作系统,不仅包括我们熟知的智能座舱操作系统,也包含了更多的子系统。
天枢Sky OS系统总结构采用了1个管理程序、4个子系统的设计,4个子系统分别对应高安全性使用需求、轻量化场景、复杂场景以及操作系统。依靠着几个子系统与中间件相连,分布式管理对应应用模块。
这种操作系统设计的优势在于功能实现可以呈现分布式工作,即实现某项功能只需评估功能性需求、调动对应中间件,即可实现对应功能的上线。而蔚来在应用层开放内容包括智能座舱、自动驾驶、车控以及互联四个大项,意味着天枢Sky OS能够调用车内所有资源丰富功能,可创新性更高。

基于天枢Sky OS系统的结构特点,可以推断蔚来ET9将会拥有的创新功能,结合其旗舰级行政轿车的定位,可以对这款车型拥有的新功能猜出一二。
与智能线控底盘联动,实现舒适之外的新功能
天枢Sky OS与VMC联动结合,在线控智能底盘中将实现更多的舒适功能。在营造舒适性方面,核心思路在于如何帮人“变懒”,通过技术力代替人力。
首先,蔚来现有车型都采取传统转向柱设计,开启NOP+之后在AI“驾驶”时方向盘也随之转动。而线控智能底盘可以将转向动作电信号化,能做到的功能升级在于开启自动驾驶时方向盘不会随着运动轨迹转动,这项功能将会明显提升驾驶者的舒适度体验。

今年10月,蔚来曾经提报一项驾驶员状态检测系统的专利,该专利通过鉴定驾驶员是否离开方向盘、心跳数据判定驾驶者是否处于疲劳状态,如果确认驾驶员存在一种或多种疲劳驾驶行为,生成报警信息和控制操作。该项功能活用了OMS驾驶员监测与自动驾驶主动介入功能,设计智能座舱、自动驾驶、车控三个应用内容,几乎蔚来ET9大概率将会搭载该项新功能。
同样关于底盘,蔚来ET9已经被确认拥有后轮转向系统,用来解决轴距过长导致转弯半径过大的问题,但该车型采用H臂设计,后轮转向角度有限,转弯半径优化需要用加大前轮极限转角解决。但蔚来可以通过将智能扭矩矢量控制技术应用在转向中,达到缩小转弯半径的目的。不过在单独轮加入扭矩矢量控制技术,很有可能蔚来ET9也会加入类似“坦克调头”的功能来花式秀技。

天枢Sky OS操作系统与智能底盘解耦,就能够新增几项新功能,并且都对于舒适度有很大帮助。当然,基于天枢Sky OS的分布式特性,能够拥有的新功能特性组合会更加丰富。
与智能网联联动,强化多设备链接功能
李斌在蔚来创新日上提出过NIO Link功能,对应了智能网联应用层,强化了手机以及其他设备的无缝交互。蔚来NIO Link涵盖内容更为丰富,包含手机、穿戴设备、换电站、充电桩、道路设施等。

具体到功能,能够实现车内用户的移动设备与座舱设备进行无缝互联与定位。将手机放置在任一座位上,都可以用手机调节该座位区域的各项座椅功能以及分区空调,这项功能将会借助NIO Link拥有的车手一体特性得以实现。
同样,基于车手一体理念,手机上的目标位置信息可无感接力上车,提前在手机上设置导航目的地与路线,上车后自动同步至车机导航,无需二次输入。
商务场景下,天枢Sky OS将会搭载超级会议功能,能够在上车后自动将会议流转到车机端,调用车内硬件辅助(如调节空调温度、开启阅读灯等),带来更好的移动会议体验。
值得深挖的是蔚来在NIO Link中加入了AR智能眼镜,基本上可以确定蔚来将会在车机端与增强现实融合。简单来说,这项功能的实现形式是通过将驾驶信息同步到AR眼镜端,让用户获得更加沉浸式的导航体验,类似于智能眼镜版AR-HUD,但比AR-HUD更加简单且对人体适应度更强。
与AIGC/智能座舱联动,提升车内交互水平
天枢Sky OS中一个重要的中间件,就是我们经常提到的AIGC引擎,这种生成式AI接入到智能座舱可实现功能更多,并不仅仅是帮助用户出图。AIGC引擎赋予AI助手推理、记忆能力,这对于交互的变革是比较重大的。
天枢Sky OS借助AIGC联动,可以通过AI学习驾驶者的驾驶逻辑,在记忆路段模仿人类驾驶风格。蔚来ET9大概率会加入不同用户自动驾驶风格记忆功能,了解固定驾驶者的架势模式喜好,在智能驾驶层同步调整,让智能驾驶感觉更像人类。
生成式AIGC能够借助自身强大的推理能力和诊断能力,能够准确预测车辆是否需要维修。AIGC可以分析车辆的行驶路线、速度、制动等数据,预测轮胎磨损情况,提醒车主及时更换轮胎,甚至可以帮车主预定维修保养,更有利于延长车辆寿命。
另外,AIGC能够洞察驾驶者感情的特性,让AI助手可以更好地感知人类情绪,反作用到生成式内容推荐上。如:今天AI感应到驾驶者比较开心,会将车内氛围灯调节得更欢快一些,并向驾驶者推荐Club等类型的娱乐设施。在蔚来ET9车型上,NOMI大概率会变得更加聪明且主动,会根据用户情绪状态进行个性化推荐。

与智能座舱联动方面,天枢Sky OS的作用在于加强场景化的相关功能。蔚来ET9后排屏幕大概率会采用可抽拉式屏幕,借助天枢Sky OS能够实现更实用的屏幕流转功能,如后排乘客可以用车机版小红书查询感兴趣的店铺,将位置流转到前排驾驶员侧的车机导航,大幅提升出行效率。
总结
天枢Sky OS作为一套底层操作系统,其创新之处在于打通VMC与各个中间件模块之间的部署通道,灵活部署各类中间件与应用。天枢Sky OS继续深化了“软件定义汽车”理论,将为蔚来ET9带来更多功能上的革新。我们只是简单围绕策略就能梳理出近10项功能更新,蔚来ET9的新功能大概率能进入到两位数。